MBZ 300 N48G

FT 4 A secondary unit * SHEV button for the connection to GEZE control panels

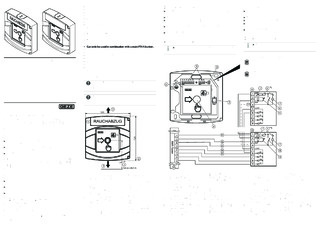
SHEV button FT4 A
  • Robust, lockable die-cast aluminium housing
  • LED operating status displays alarm
  • Reset button for resetting the alarm
  • Verifiable release by snapping of push button
Contact us

Application Areas

  • For the connection to GEZE control panels
  • To supplement a main FT 4 A button
  • For manual smoke and heat extraction alarm triggering
  • Surface-mounted installation
  • Cable entry from above, below or the rear side
  • Operation with 4 wire cable possible

Downloads

Variants & Accessories

Contact

GEZE Central +90-216-455-43-15