TS 4000 S * Kapatma geciktirmesi bulunan tek kanatlı, kanat eni 1400 mm’ye kadar olan kapı'lar için üstten monte kapı hidroliği, kollu
- EN 2-6 serbest ayarlanabilir kapatma kuvveti
- Sağdan ve soldan menteşeli kapılar için yer değiştirmeden uygulanabilir
- Kapı kapanma hızını yaklaşık 80°’ye kadar açılma açısına ayarlamak için ayarlanabilir kapatma gecikmesi
- Kapalı konuma gelmeden kısa bir süre önce kapıyı hızlandıran hidrolik son stoper
- Kapanma hızı isteğe göre ayarlanabilir
- Entegre açma süspansiyonu, hızlı açılan kapıları frenler
- Ayarın kolay kontrol edilmesi için optik kapatma kuvveti göstergesi
- Bütün fonksiyonlar ön taraftan ayarlanabilir
Uygulama Alanları
- Yangın ve duman geçirmez kapılar
- Sağ ve sol tek yöne açılımlı kapılar
- Kanat eni 1400 mm’ye kadar tek yöne açılımlı kapılar
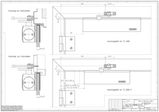
- Kanat montajı menteşe tarafı ve baş montajı menteşesiz tarafı
- Kanat montajı, menteşesiz tarafı paralel kol montajında EN 5 kapatma kuvvetine kadar mümkündür
Ürünün teknik özellikleri
| TS 4000 S | |
| EN 1154 doğrultusunda kapatma kuvveti | EN 2 - 6 |
| Kanat enine kadar (maks.) mm olarak DIN 18040 uyarınca engelsiz erişim | 1100 mm |
| Kanat eni (maks.) | 1400 mm |
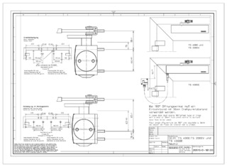
| Montaj şekli | Kanat montajı menteşe tarafı, Baş montajı menteşesiz tarafı, Kanat montajı menteşesiz tarafı |
| Açılma açısı (maks.) | 180 ° |
| Yangına dayanıklı kapı'lara uygunluk | Evet |
| Kapatma kuvveti ayarlanabilir | Evet, serbest ayarlı |
| Kapanma hızı ayarlanabilir | Evet |
| Son stoper ayarlanabilir | Evet, valf üzerinden |
| Entegre açma süspansiyonu | Evet, hidrolik üzerinden ayarlanabilir |
| Entegre kapatma gecikmesi | Evet |
| Kapatma kuvveti ayar pozisyonu | Ön taraf |
| Optik kapatma kuvveti göstergesi | Evet |
| Sabitleme | İsteğe bağlı |
İndirmeler
Çeşitler ve Montaj malzemeleri
* Sergilenen ürünler hakkında bildirim
Yukarıda belirtilen ürünler, ülkeden ülkeye biçim, tür, nitelik ve fonksiyon (tasarım, boyut, kullanılabilirlik, onaylar, standartlar vs.) açısından değişebilir. Sorularınız için lütfen sizinle ilgilenen GEZE görevlisine başvurun veya bize bir e-posta gönderin E-Mail .