Duvar montajı kapı tutma mıknatısı * Taban plakası ile duvar montajı
- 490 N yüksek tutulum gücü
- Gizli kablo girişi ve kaba dizayn
Uygulama Alanları
- 180°’ye kadar olan sabitleme köşebendi için kullanılan sabitleme elemanı, tam bir sabitleme için ideal
- Endüstri binaları gibi kaba çevrelerde kullanım için
- Yüksek seyirci kitlelerinin bulunduğu toplantı ve spor salonları
- GEZE sabitleme sistemleri için müsaadeli sabitleme sistemi
- Duvar montajı
Ürünün teknik özellikleri
| Duvar montajı kapı tutma mıknatısı | |
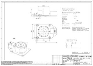
| Ölçüler | 93 x 65 x 33 mm |
| Koruma türü | IP65 mıknatıs; IP20 bağlantısı |
| Montaj şekli | Sıva üstü |
| Kablo girişi | Üst, Alt |
| Kullanım alanı | İç mekan |
İndirmeler
LABELLING OBLIGATION: © GEZE GmbH
Çeşitler ve Montaj malzemeleri
* Sergilenen ürünler hakkında bildirim
Yukarıda belirtilen ürünler, ülkeden ülkeye biçim, tür, nitelik ve fonksiyon (tasarım, boyut, kullanılabilirlik, onaylar, standartlar vs.) açısından değişebilir. Sorularınız için lütfen sizinle ilgilenen GEZE görevlisine başvurun veya bize bir e-posta gönderin E-Mail .