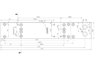
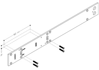
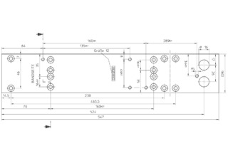
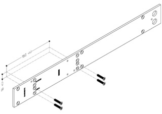
Kapı hidroliği montaj plakası * TS 5000 RFS KM /TS 4000 R(-IS) için, DIN EN 1154 normu ek 1 delme şablonu doğrultusunda
- DIN EN 1154 uyarınca ek 1 delme şablonlu
Uygulama Alanları
- DIN-Delme şablonu doğrultusunda kapatıcı gövdesi montaj ayağı
Ürünün teknik özellikleri
| Kapı hidroliği montaj plakası | |
| EN 1154 ek sayfa doğrultusunda delme şablonlu montaj plakası | Evet |
İndirmeler
Çeşitler ve Montaj malzemeleri
* Sergilenen ürünler hakkında bildirim
Yukarıda belirtilen ürünler, ülkeden ülkeye biçim, tür, nitelik ve fonksiyon (tasarım, boyut, kullanılabilirlik, onaylar, standartlar vs.) açısından değişebilir. Sorularınız için lütfen sizinle ilgilenen GEZE görevlisine başvurun veya bize bir e-posta gönderin E-Mail .