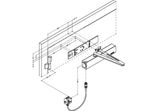
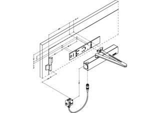
TS 4000 EFS * Kanat eni 1400 mm’ye kadar olan elektrikli serbest salınım fonksiyonlu tek kanatlı kapılar için üstten monte kollu kapı hidroliği
- Serbest ayarlanabilir kapatma kuvveti EN 1-6
- Şebeke gerilimi 24 V DC
- Sağdan ve soldan menteşeli kapılar için yer değiştirmeden uygulanabilir
- Serbest salınım fonksiyonu, kapının çok az çaba ile geçilmesini sağlar
- Serbest salınım fonksiyonu kapının yakl. 90°’ye tek seferlik açılmasından sonra
- Bir yangın durumunda sinyali normalde açık olan kapıyı kendiliğinden kapatan duman dedektör bağlantı merkezi bağlanabilir
- Kapı kapalı konuma gelmeden kısa bir süre önce hızlandıran mekanik son stoper
- Kapanma hızı isteğe göre ayarlanabilir
- Ayarın kolay kontrol edilmesi için optik kapatma kuvveti göstergesi
- Bütün fonksiyonlar ön taraftan ayarlanabilir (son stoper hariç)
Uygulama Alanları
- Yangın ve duman geçirmez kapılar
- Sağ ve sol tek yöne açılımlı kapılar
- Kanat eni 1400 mm’ye kadar tek yöne açılımlı kapılar
- Kanat montajı menteşe tarafı
- Serbest salınımlı entegre sabitlemeli sabitleme sistemi
- Engelsiz erişimli girişler DIN 18040
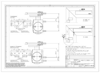
Ürünün teknik özellikleri
| TS 4000 EFS | |
| EN 1154 doğrultusunda kapatma kuvveti | EN 1 - 6 |
| Kanat enine kadar (maks.) mm olarak DIN 18040 uyarınca engelsiz erişim | 1400 mm |
| Kanat eni (maks.) | 1400 mm |
| Montaj şekli | Kanat montajı menteşe tarafı |
| Açılma açısı (maks.) | 180 ° |
| Giriş gerilimi | 24 V DC |
| Yangına dayanıklı kapı'lara uygunluk | Evet |
| Serbest salınım mesafesi | 80 ° - 175 ° |
| Kapatma kuvveti ayarlanabilir | Evet, serbest ayarlı |
| Kapanma hızı ayarlanabilir | Evet |
| Son stoper ayarlanabilir | Evet, dirsek kollar kiti üzerinden |
| Kapatma kuvveti ayar pozisyonu | Ön taraf |
| Optik kapatma kuvveti göstergesi | Evet |
| Sabitleme | Elektrikli, serbest salınım fonksiyonu için |
İndirmeler
Çeşitler ve Montaj malzemeleri
* Sergilenen ürünler hakkında bildirim
Yukarıda belirtilen ürünler, ülkeden ülkeye biçim, tür, nitelik ve fonksiyon (tasarım, boyut, kullanılabilirlik, onaylar, standartlar vs.) açısından değişebilir. Sorularınız için lütfen sizinle ilgilenen GEZE görevlisine başvurun veya bize bir e-posta gönderin E-Mail .