Sabitleme kolu TS 4000 EN 1-6 * Kanat eni 1400 mm'ye kadar olan tek kanatlı kapı'lar için üstten monte kapı hidroliği, kollu
- Serbest ayarlanabilir kapatma kuvveti EN 1-6
- Sağdan ve soldan menteşeli kapılar için yer değiştirmeden uygulanabilir
- Kapalı konuma gelmeden kısa bir süre önce kapıyı hızlandıran hidrolik son stoper
- Kapanma hızı isteğe göre ayarlanabilir
- Entegre açma süspansiyonu, hızlı açılan kapıları frenler
- Ayarın kolay kontrol edilmesi için optik kapatma kuvveti göstergesi
Uygulama Alanları
- Sağ ve sol tek yöne açılımlı kapılar
- Duman ve yangından koruma talebi bulunmayan kapı'ları açık tutma süresi için
- Kanat eni 1400 mm’ye kadar tek yöne açılımlı kapılar
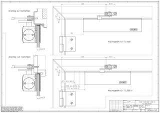
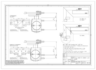
- Kanat montajı menteşe tarafı
- Baş montajı menteşesiz tarafı
- Kapı kanadının karşı menteşesiz tarafında paralel kol montajı için
Ürünün teknik özellikleri
| Sabitleme kolu TS 4000 EN 1-6 | |
| EN 1154 doğrultusunda kapatma kuvveti | EN 1 - 6 |
| Kanat eni (maks.) | 1400 mm |
| Montaj şekli | Kanat montajı menteşe tarafı |
| Açılma açısı (maks.) | 180 ° |
| Kapatma kuvveti ayarlanabilir | Evet, serbest ayarlı |
| Kapanma hızı ayarlanabilir | Evet |
| Son stoper ayarlanabilir | Evet, dirsek kollar kiti üzerinden |
| Entegre açma süspansiyonu | Evet, hidrolik üzerinden ayarlanabilir |
| Kapatma kuvveti ayar pozisyonu | Ön taraf |
| Optik kapatma kuvveti göstergesi | Evet |
| Sabitleme | Mekanik |
| Sabitleme alanı | 50 ° - 170 ° |
İndirmeler
Çeşitler ve Montaj malzemeleri
* Sergilenen ürünler hakkında bildirim
Yukarıda belirtilen ürünler, ülkeden ülkeye biçim, tür, nitelik ve fonksiyon (tasarım, boyut, kullanılabilirlik, onaylar, standartlar vs.) açısından değişebilir. Sorularınız için lütfen sizinle ilgilenen GEZE görevlisine başvurun veya bize bir e-posta gönderin E-Mail .