TS 4000 EN 1-6 * Kanat eni 1400 mm'ye kadar olan tek kanatlı kapı'lar için üstten monte kapı hidroliği, kollu
- Serbest ayarlanabilir kapatma kuvveti EN 1-6
- Sağdan ve soldan menteşeli kapılar için yer değiştirmeden uygulanabilir
- Kapı kapalı konuma gelmeden kısa bir süre önce hızlandıran mekanik son stoper
- Kapanma hızı isteğe göre ayarlanabilir
- Entegre açma süspansiyonu, hızlı açılan kapıları frenler
- Ayarın kolay kontrol edilmesi için optik kapatma kuvveti göstergesi
Uygulama Alanları
- Yangın ve duman geçirmez kapılar
- Sağ ve sol tek yöne açılımlı kapılar
- Kanat eni 1400 mm’ye kadar tek yöne açılımlı kapılar
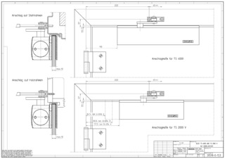
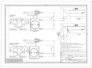
- Kanat montajı menteşe tarafı
- Baş montajı menteşesiz tarafı
- Kapı kanadının karşı menteşesiz tarafında paralel kol montajı için
Ürünün teknik özellikleri
| TS 4000 EN 1-6 | |
| EN 1154 doğrultusunda kapatma kuvveti | EN 1 - 6 |
| Kanat enine kadar (maks.) mm olarak DIN 18040 uyarınca engelsiz erişim | 1100 mm |
| Kanat eni (maks.) | 1400 mm |
| Montaj şekli | Kanat montajı menteşe tarafı, Baş montajı menteşesiz tarafı |
| Açılma açısı (maks.) | 180 ° |
| Yangına dayanıklı kapı'lara uygunluk | Evet |
| Kapatma kuvveti ayarlanabilir | Evet, serbest ayarlı |
| Kapanma hızı ayarlanabilir | Evet |
| Son stoper ayarlanabilir | Evet, dirsek kollar kiti üzerinden |
| Entegre açma süspansiyonu | Evet, hidrolik üzerinden ayarlanabilir |
| Kapatma kuvveti ayar pozisyonu | Ön taraf |
| Optik kapatma kuvveti göstergesi | Evet |
| Sabitleme | İsteğe bağlı |
İndirmeler
Çeşitler ve Montaj malzemeleri
* Sergilenen ürünler hakkında bildirim
Yukarıda belirtilen ürünler, ülkeden ülkeye biçim, tür, nitelik ve fonksiyon (tasarım, boyut, kullanılabilirlik, onaylar, standartlar vs.) açısından değişebilir. Sorularınız için lütfen sizinle ilgilenen GEZE görevlisine başvurun veya bize bir e-posta gönderin E-Mail .